Web Analytics Made Easy -
StatCounter

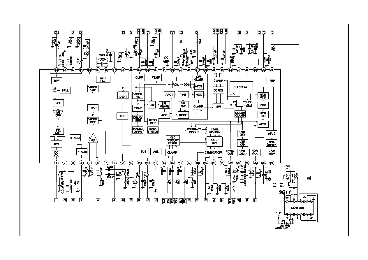
La76810a Tv Diagram

China Tclc2133e Lc863324 La76810 Tv D Service Manual Download

China Tclc2133e Lc863324 La76810 Tv D Service Manual Download

The Typical Application Circuit Of La76810 Ic Basic Circuit

The Typical Application Circuit Of La76810 Ic Basic Circuit

China Th2029 Lc863320a La76810a Tv Sch Service Manual Download

China Th2029 Lc863320a La76810a Tv Sch Service Manual Download

China China Mini 12v Lcd Tv Lc863324a La76810 Service Manual

China China Mini 12v Lcd Tv Lc863324a La76810 Service Manual

La76810a Datasheet Datasheet Pdf Info

La76810a Datasheet Datasheet Pdf Info

Shmups System11 Org View Topic A Simple Pcb For Better Rgb Tv Mods

Shmups System11 Org View Topic A Simple Pcb For Better Rgb Tv Mods

Shmups System11 Org View Topic A Simple Pcb For Better Rgb Tv Mods

China color tv chassis ss2 rar.

La76810a tv diagram. Flat panel tv diagram of internal parts and circuit boards note. La76810 datasheet pdf color tv signal processing ic sanyo la76810a datasheet la76810 pdf la76810 pinout equivalent data circuit ic schematic. If your tv has lines across the screen and the screen is not cracked consider replacing the t con board. Category tv service manual.

Pdf size 175 0 kb. If your tv has power issues consider replacing the power supply board. If you have more devices or do not have all of the devices that are shown in the setup adjust the wiring accordingly. 14 21 big size tv kit tv chassis.

Circuit diagram of 8873 tv kit. Electro help how to enter service mode to chinese tv kit ic used 8873. When troubleshooting your tv you will need to use schematics and diagrams to find the problem. So let s know what models are.

La76810a is a vif sif y deflection 1chip ic for pal ntsc color television sets. Here is a hisense lcd tv circuit diagram as an example. Diagram tv circuit by 8873. Use either the phono rca audio video wiring setup diagram on page 4 5 or the tv set out rf or vhf wiring setup diagram on page 4 6 as the basic plan to wire the system together.

Crown acv 1433 chassis hd sy36a cb rar. Skyworth tv service manual and schematic diagrams sony tv service manual and circuit diagrams more than 400 user s manuals service manuals remote control manuals schematics and circuit diagrams for hisense smart tv lcd led plasma tvs. The problem lies on the vertical section of the tv. Service manuals schematics eproms for electrical technicians.

Tv china chassis ss2 cpu lc863528a xxxx vcpu la76810a la76818a vert la78041 la7841 power 2sc4429. Toshiba 8873 ic calour tv block circute diagram manufacturers and toshiba 8873 ic calour tv block circute diagram suppliers directory. Sogo tv 1403 tx lc863328c 55wo 5md0v la76810a stv5348 aa5 2404 str g 6653 chassis. Download china th2029 lc863320a la76810a tv sch service manual repair info for electronics experts.

Tv china chassis ss2 cpu lc863528a xxxx vcpu la76810a la76818a vert la78041 la7841 power 2sc4429. In this post you will be able to download hisense lcd led tv schematics diagram circuit diagram and service manuals for free. This site helps you to save the earth from electronic waste. I nee for service manual or at least electrical diagram schematic and ecm schematic diagram.

We have availed here schematics diagrams for hisense smart tv hisense non smart lcd led tv and plasma. If you get stuck in repairing a defective appliance download this. 14 29 digital tv. China color tv chassis ss2 rar.

14 29 digital tv. As you know this post is about hisense led tv schematics diagram circuit diagram.

China Tv Tc 2128w Sch Service Manual Download Schematics Eeprom

China Tv Tc 2128w Sch Service Manual Download Schematics Eeprom

Erisson 2120 Akira Ct 14m9a Shassi 3y01

Erisson 2120 Akira Ct 14m9a Shassi 3y01

Belajar Elektronik Skema Ic La76810a Dan La76810b

Belajar Elektronik Skema Ic La76810a Dan La76810b

Bpl Tv Service Manual Pdf

Bpl Tv Service Manual Pdf

China Circuit Over Voltages Standby Electronics Forums

China Circuit Over Voltages Standby Electronics Forums

China Ph06vs Chassis Crt Tv Sch Service Manual Download

China Ph06vs Chassis Crt Tv Sch Service Manual Download

8821 8823 8873 8893 8895 Ic China Made Colour Tv Kit Diagram Youtube

8821 8823 8873 8893 8895 Ic China Made Colour Tv Kit Diagram Youtube

Sluchai Iz Praktiki Remonta Erisson

Sluchai Iz Praktiki Remonta Erisson

Tv Service Repair Manuals Schematics And Diagrams Tv Services

Tv Service Repair Manuals Schematics And Diagrams Tv Services

Color Tv Kit Circuit Diagram Full Tda1106 Stv9302 Based Color

Color Tv Kit Circuit Diagram Full Tda1106 Stv9302 Based Color

Sansui Tv Circuit Diagram Free Download Circuit Diagram Diagram

Sansui Tv Circuit Diagram Free Download Circuit Diagram Diagram

3kw Ups Schematic Wiring Diagram Circuit Diagram Electronic

3kw Ups Schematic Wiring Diagram Circuit Diagram Electronic

All Models Signal Processing Electronic Engineering Free 30

All Models Signal Processing Electronic Engineering Free 30

Source : pinterest.com