Web Analytics Made Easy -
StatCounter

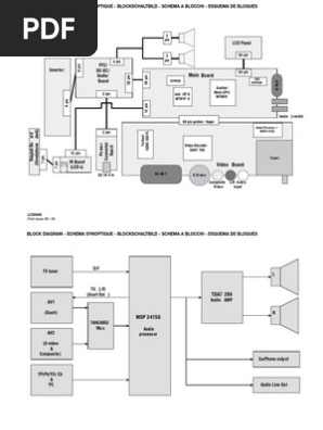
Schema A Blocchi Tv Led

Understanding Power Supply Board Of Lcd Monitor Lcd Monitor

Understanding Power Supply Board Of Lcd Monitor Lcd Monitor

555 Very Simple Pwm To Dim Led Dim Dc Lights And Control The

555 Very Simple Pwm To Dim Led Dim Dc Lights And Control The

How To Wire A Arduino Cnc

How To Wire A Arduino Cnc

Sintezator Arduino Mega 2560 3 2 Tft Lcd Si5351 Youtube

Sintezator Arduino Mega 2560 3 2 Tft Lcd Si5351 Youtube

Pin Su Elettronica

Pin Su Elettronica

Pin Su Carla

Pin Su Carla

Pin Su Carla

4 4 risalire al funzionamento dell inverter senza avere lo schema 4 5 metodo di prova del circuito integrato inverter.

Schema a blocchi tv led. Ajouter cette page à vos marque pages. 1 marzo 2010 in didattica tv. L elettronica nei tv led edge 3 1 l alimentatore e led driver in modelli samsung led edge. Depannage television schema tv gratuit schema tv lcd cours de television gratuit pdf telecharger pdf depannage tele panne tv couleur pdf cours de télevision en pdf.

Tv dwg televisori 2d autocad dwg. From replacing a power supply circuit board a t con circuit board or simply securing a loose ribbon cable connection these tv repair manuals will help you to fix your tv. Db802 db804 fs801s fs802s note. Led pdf reparation tv lcd pour debutant depannage television crt pdf.

The problem is when switch onn the pilot lamp led is light but when push the switch button or remote control the screen still cannot function no sound and picture. If you are troubleshooting your led lcd or plasma tv to find out what the issue is these repair and service manuals will assist you to install your tv correctly or to discover what the problem is within your television. Schema a blocchi di un televisore lcd accedi per seguirlo. 8 2 diagramma a blocchi e spiegazione del funzionamento 8 3 il guasto del nostro televisore in realtà i problemi sono due.

Diodi 1n4007 fusibili 5a posizione schema. Dei componenti più usati nella riparazione tv dvd vcr audio ed in genere in elettronica. Lg 15lc1r 20lc1rb mg lcd service manual lg 15lw1r lcd service manual lg 23lc1rb lcd service manual lg 26lc2d lcd tv service manual lg 26lc2r 32lc2r 4638029775 chassis lp61c lcd tv service manual lg 26lx1d lcd tv service manual lg 27lc2r chassis lp61a lcd tv service manual lg 32lc2da lcd tv service manual lg. Schema a blocchi di un televisore lcd.

In regalo ben 60 databook pdf con le caratteristiche costruttive ed elettriche piedinatura schema interno circuiti applicativi ecc. Good morning sir i had a problem with my 15 inch led tv. Download gratuito vasta scelta di file dwg per tutte le necessità del progettista. Un archivio a vostra disposizione con oltre 200 nuove riparazioni già eseguite e portate a termine con successo su televisori lcd led e smart tv sintomo componenti sostituiti foto a colori ad alta risoluzione parti dello schema dove si è verificato il guasto descrizione e note tecniche se necessarie sono indicate.

Tvservice tvservice utente con 1600 post. Che mi seguono 0. Database riparazioni su tv lcd led smart tv nuova edizione. Lg diagrams schematics and service manuals download for free.

Is there problem with mu power supply unit.

Forum Del Presepio Elettronico Multimediale Il Primo E Unico

Forum Del Presepio Elettronico Multimediale Il Primo E Unico

43 Arduino Contatore Di Oggetti Con Sensore Di Ostacoli

43 Arduino Contatore Di Oggetti Con Sensore Di Ostacoli

Tipologie Di Diodi Tutorial Di Elettronica Lezione 39

Tipologie Di Diodi Tutorial Di Elettronica Lezione 39

Codici Errore Frigoriferi Indesit Frigorifero Doppie Porte Led

Codici Errore Frigoriferi Indesit Frigorifero Doppie Porte Led

Pin Su Elettricita

Pin Su Elettricita

21 Arduino Semaforo Con Chiamata Pedoni 21 06 2016 Progetti

21 Arduino Semaforo Con Chiamata Pedoni 21 06 2016 Progetti

Understanding Power Supply Board Of Lcd Monitor Lcd Monitor

Understanding Power Supply Board Of Lcd Monitor Lcd Monitor

47 Arduino Domotica Con Ethernet Shield E Wi Fi 17 06 2016

47 Arduino Domotica Con Ethernet Shield E Wi Fi 17 06 2016

Thomson Chassis Lcd12b 20lb120s4 Television Technology Film

Thomson Chassis Lcd12b 20lb120s4 Television Technology Film

Brandt 51011 Chassis A01 Lcd Tv Electrical Engineering

Brandt 51011 Chassis A01 Lcd Tv Electrical Engineering

Riparazione Tv Samsung Le32r86bd Scheda Alimentatore Pslf201502b

Riparazione Tv Samsung Le32r86bd Scheda Alimentatore Pslf201502b

Border Tiles Meditativnye Uzory Uzory Geometricheskie Uzory

Border Tiles Meditativnye Uzory Uzory Geometricheskie Uzory

How To Make A Led Lamp With Hidden Wireless Charger Video Video

How To Make A Led Lamp With Hidden Wireless Charger Video Video

Xh M401 Dc Dc Step Down Module Xl4016e1 High Power Dc Voltage

Xh M401 Dc Dc Step Down Module Xl4016e1 High Power Dc Voltage

Source : pinterest.com