Web Analytics Made Easy -
StatCounter
Cara Service Tv China Mati Total Panduan Teknisi

Cara Service Tv China Mati Total Panduan Teknisi

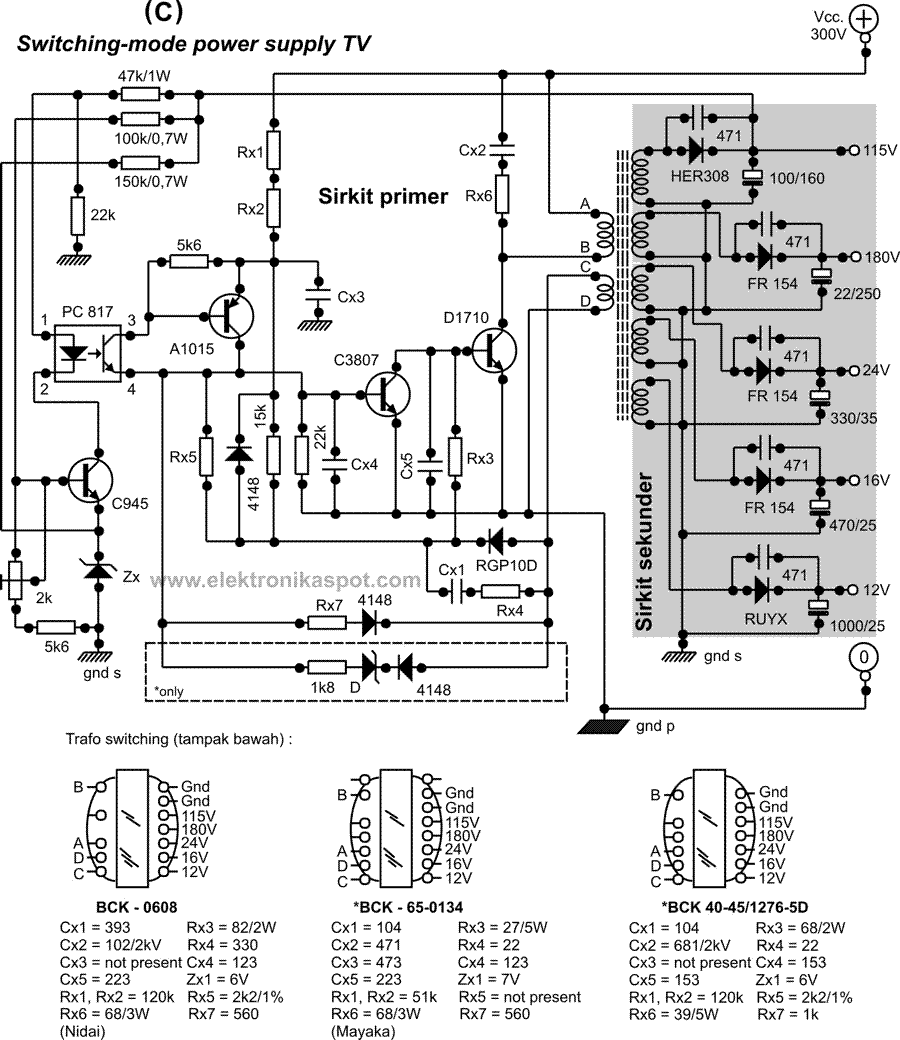
Memperbaiki Power Supply Tv Bertransistor 3 Elektronika Spot

Memperbaiki Power Supply Tv Bertransistor 3 Elektronika Spot

Power Supply Switching Regulator Tv Cara Kerja Dan Mengatasi

Power Supply Switching Regulator Tv Cara Kerja Dan Mengatasi

Mengatasi Kerusakan Teknologi Seputar Kesehatan Rangkaian

Mengatasi Kerusakan Teknologi Seputar Kesehatan Rangkaian

Memperbaiki Tv Cina Gambar Berkedip Gambar Blur Dan Tidak

Memperbaiki Tv Cina Gambar Berkedip Gambar Blur Dan Tidak

Pengenalan Rangkaian Power Supply Tv Elektronika Spot

Pengenalan Rangkaian Power Supply Tv Elektronika Spot

Pengenalan Rangkaian Power Supply Tv Elektronika Spot

Memahami Cara Kerja Psu Power Supply Tv Tabung Dan Bagian Trafo

Memahami Cara Kerja Psu Power Supply Tv Tabung Dan Bagian Trafo

Basic Crt Tv Application Schematic Switched Mode Power Supply

Basic Crt Tv Application Schematic Switched Mode Power Supply

Cara Memperbaiki Tv Tabung China B Over

Cara Memperbaiki Tv Tabung China B Over

China Jsk3200 007 Lcd Tv Power Supply Schematic Diagram Service

China Jsk3200 007 Lcd Tv Power Supply Schematic Diagram Service

China Jsk4338 007a Lcd Tv Power Supply Schematic Diagram Service

China Jsk4338 007a Lcd Tv Power Supply Schematic Diagram Service

Smps Fullbridge Pfc Schematic Pcb Layout Pdf Rangkaian

Smps Fullbridge Pfc Schematic Pcb Layout Pdf Rangkaian

Samsung Ln26b350f1 Ln32b350f1 Tft Lcd Tv

Samsung Ln26b350f1 Ln32b350f1 Tft Lcd Tv

14 Inch China Multi Colour Tv Circuit Diagram

14 Inch China Multi Colour Tv Circuit Diagram

Fixing An Led Supply Gr33nonline

Fixing An Led Supply Gr33nonline

Imam Indo Servis Tangerang Tentang Regulator Ac Matic

Imam Indo Servis Tangerang Tentang Regulator Ac Matic

Skema Standar Smps Gacun Arduino Rangkaian Elektronik Elektronik

Skema Standar Smps Gacun Arduino Rangkaian Elektronik Elektronik

Dazheng Ps 1502dd Power Supply Sch Service Manual Download

Dazheng Ps 1502dd Power Supply Sch Service Manual Download

Cara Service Lcd Led Tv Mati Total Panduan Teknisi

Cara Service Lcd Led Tv Mati Total Panduan Teknisi

Pin On Me

Pin On Me

Source : pinterest.com