Web Analytics Made Easy -
StatCounter

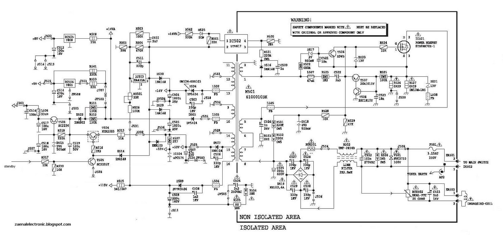
Skema Regulator Mesin Tv Cina

Tv Cina Regulator Tidak Keluar Tegangan Bahar Electronic

Tv Cina Regulator Tidak Keluar Tegangan Bahar Electronic

Mengatasi Kerusakan Teknologi Seputar Kesehatan Rangkaian

Mengatasi Kerusakan Teknologi Seputar Kesehatan Rangkaian

Populer 34 Skema Rangkaian Mesin Tv Cina

Populer 34 Skema Rangkaian Mesin Tv Cina

Skema Tv China Paling Lengkap 2020 Jandelatv

Skema Tv China Paling Lengkap 2020 Jandelatv

Blok Rangkaian Regulator Tv Wcom Youtube

Blok Rangkaian Regulator Tv Wcom Youtube

Memahami Cara Kerja Psu Power Supply Tv Tabung Dan Bagian Trafo

Memahami Cara Kerja Psu Power Supply Tv Tabung Dan Bagian Trafo

Memahami Cara Kerja Psu Power Supply Tv Tabung Dan Bagian Trafo

Berikut beberapa kumpulan skema tv silakan download secara gratis kumpulan skema tv yang anda butuhkan.

Skema regulator mesin tv cina. Download diagram sekarang skema lengkap ic tunggal 14 21 inchi dalam format pdf download lengkap skema tv china 25 29 inch dengan memiliki skema tv maka saat melakukan analisa service tv china akan sangat membantu dan hasilnya lebih cepat. Diposting oleh k k yanz di 12 27 00 pm. Kirimkan ini lewat email blogthis. Terkadang kita membutuhkan skema tv china dikala ingin mengetahui bab komponen serta letak pemasangan setiap komponen pada mesin tv tanpa melihat skematik kita sehingga kebingungan dan sulit untuk memahami setiap bagiannya hal ini juga bisa memudahkan anda dikala ingin memperbaiki televisi khususnya buatan cina.

Askum sore bos mau tnya ni nilai kapasitor c447 di dekat travo suiting regulator pada mesin tv wcom dg aisy lc 863533c55p9. Skema adalah sebuah peta atau jalur untuk mesin tv sehingga apabila tejadi kerusakan pada bagian tertentu akan sangat mudah melacak dengan bantuan gambar skema tv. Berikut saya sajikan skema bentuk gambar jpg mesin tv cina yang menggunakan 2 ic. Makasih atas infonya solder uap.

Kumpulan skema tv memiliki koleksi skema tv tabung dari berbagai merk dan model memang sangat diperlukan terutama untuk siapapun yang serius berprofesi sebagai teknisi service tv. Terima kasih informasinya 25 maret 2019 17. Aisy rabu maret 04 2015 10 50 00 am. Poin pembahasan gaya terbaru skema rangkaian mesin tv cina rangkaian mesin adalah.

Harga yang ekonomis dan terjangkau membuat tv cina banyak dicari oleh konsumen terlebih lagi sudah banyak beredar tv buatan lokal yang menggunakan mesin cina dan crt monitor 2nd dengan harga yang lebih murah dibanding produk cina asli. 1 februari 2019 17 18 unknown mengatakan. Waduuuh susah bro rata rata skema tv china yang saya punya termasuk punyae wcom juga untuk capasitornya di area regulator memakai c5xx semua nggak ada yang pakai c477 kebakar atau gimana to bro. Hampir semua regulator tv cina atau mesin tv cina menggunakan sistem regulator yang menggunakan penguat akhir yaitu sebuah transistor yang membedakan besar kecilnya ampere dari regulator tv cina tersebut adalah besar kecilnya perit pada travo regulator dan transistor penguat akhirnya saja seperti pada tv 14 inci dengan tv 29 inci rangakainya adalah sama yang membedakan yaitu 2 komponen.

Tv tv tabung skema tv wansonic komplit. Jika tulisan ini bermanfaat silakan bagikan ke sosmed.

Cara Modif Regulator Tv Goldstar Str S6707 Pakai Gacun Bahar

Cara Modif Regulator Tv Goldstar Str S6707 Pakai Gacun Bahar

Cara Service Lcd Led Tv Mati Total Panduan Teknisi

Cara Service Lcd Led Tv Mati Total Panduan Teknisi

Mandala Service Elektronik Balong Ponorogo Skema Regulator Tv

Mandala Service Elektronik Balong Ponorogo Skema Regulator Tv

Download Skema Tv Polytron

Download Skema Tv Polytron

Imam Indo Servis Tangerang Tentang Regulator Ac Matic

Imam Indo Servis Tangerang Tentang Regulator Ac Matic

Basic Crt Tv Application Schematic Switched Mode Power Supply

Basic Crt Tv Application Schematic Switched Mode Power Supply

Skema Pcb Tv Lg

Skema Pcb Tv Lg

5q0765rt Analog I Zamena Diy Electronics Led Tv Electronics

5q0765rt Analog I Zamena Diy Electronics Led Tv Electronics

Mengatasi Tv Sanyo Protek Berikut Ini Diantaranya Pengalaman

Mengatasi Tv Sanyo Protek Berikut Ini Diantaranya Pengalaman

3 High Power Sg3525 Pure Sinewave Inverter Circuits Teknologi

3 High Power Sg3525 Pure Sinewave Inverter Circuits Teknologi

Skematic Diagram Facebook

Skematic Diagram Facebook

Skema Standar Smps Gacun Arduino Rangkaian Elektronik Elektronik

Skema Standar Smps Gacun Arduino Rangkaian Elektronik Elektronik

Hd Gto Membuat Switching Power Supply Dari Bekas Trafo Tv

Hd Gto Membuat Switching Power Supply Dari Bekas Trafo Tv

Skema Rangkaian Supply Untuk Power Ampli Class H Menggunakan 1 Dan

Skema Rangkaian Supply Untuk Power Ampli Class H Menggunakan 1 Dan

Source : pinterest.com