Web Analytics Made Easy -
StatCounter

Skema Tv China Ic Tunggal Lv76610

Tv China Lv76610 Led Berkedip Flayback Tersendat Sendat Youtube

Tv China Lv76610 Led Berkedip Flayback Tersendat Sendat Youtube

Skema Tv Wansonic Komplit Blok Bagian Bagian Lengkap

Skema Tv Wansonic Komplit Blok Bagian Bagian Lengkap

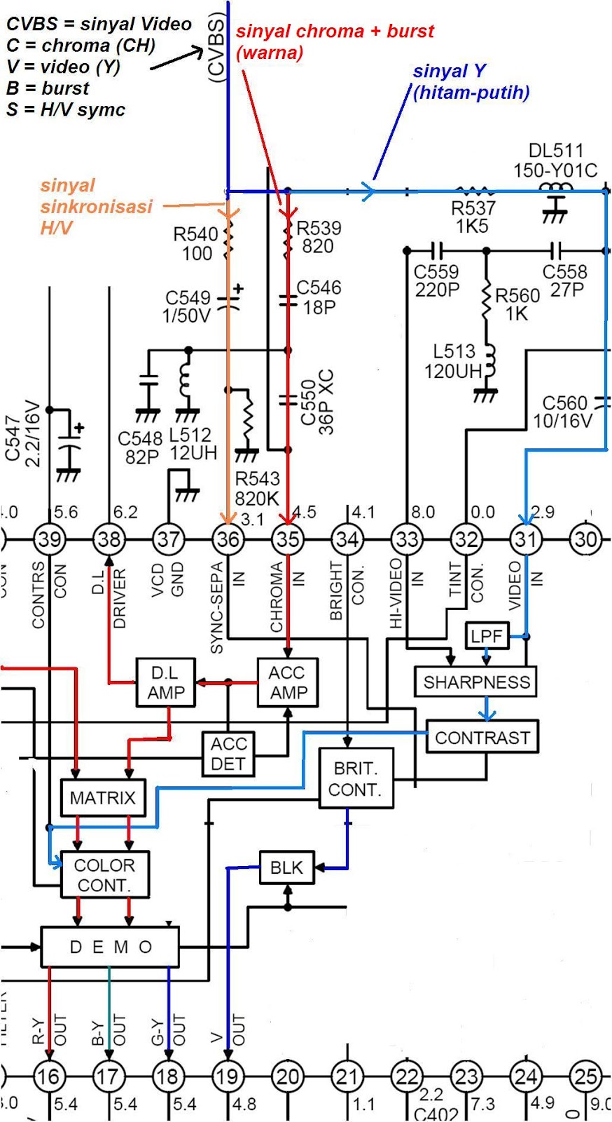
Potongan Skema Tv China Lumayan Buat Yang Baru Belajar Service

Potongan Skema Tv China Lumayan Buat Yang Baru Belajar Service

Skema Tv China Paling Lengkap 2020 Jandelatv

Skema Tv China Paling Lengkap 2020 Jandelatv

Arif Budianto Skema Tv Cina

Arif Budianto Skema Tv Cina

Inspirasi 30 Skema Mesin Tv Cina 1 Ic

Inspirasi 30 Skema Mesin Tv Cina 1 Ic

Inspirasi 30 Skema Mesin Tv Cina 1 Ic

Diposting oleh k k yanz di 5 04 00 pm.

Skema tv china ic tunggal lv76610. Berbagi ke twitter berbagi ke facebook bagikan ke pinterest. Mungkin input av nya ada kerusakan apa mungkin harus ganti ic switch soalnya kalau siaran tv normal cuma saluran av aja gak bisa masuk. Download skema tv polytron diva download skema tv polytron 51n21t hbt 00 02g vertikal la78040 stv9302 download skema tv polytron minimax mx5203 ic hbm 00 11m serta ic kroma stv2286h download skema tv polytron minimax mx5203 download skema tv polytron hbt. Kirimkan ini lewat email blogthis.

Diposting oleh k k yanz di 12 27 00 pm. Skema tv toshiba hampir mirip dengan skema pada tv dengan mesin china karena umumnya tv tv buatan china cenderung menggunakan atau meniru ic chroma dari pabrikan toshiba. China color tv chassis ss2 rar. Berikut beberapa kumpulan skema tv polytron crt silakan download sepuasnya semoga bermanfaat.

Terima kasih informasinya 25 maret 2019 17. Tv china chassis ss2 cpu. Barikut saya sajikan skema mesin tv cina yang menggunakan 1 ic buatan toshiba dengan kode tmp 8893 skema ini dapat dijadikan acuan untuk mesin tv yang menggunakan ic mirip ini karea pada dasarnya sama. Tv tv tabung skema tv wansonic komplit.

Sent by email protected 2747 kb. 1 februari 2019 17 18 unknown mengatakan. Service mode tv china ic tunggal 8873cscng 6pr6 f menu 0 h fase 16 v vosition 3 v size 16 v line 23 v sc 11 f menu1 osd h posi 44 osd v posi 20 osd con 1 osdf 103 agc12 32 w. Fulltext index 86 china colour tv 25 in 29 in rar.

25 in 29 in. Berikut saya sajikan skema bentuk gambar jpg mesin tv cina yang menggunakan 2 ic. Skema tv china ic lv76610. Kerusakan tv china ic tunggal mati stanbay july 23 2018 tv china 21inch merek nakai dengan kerusakan stby led hanya nyala merah tombol chanel maupun remot di pencet tidak ada respon menurut yang punya tv sebelum rusak pada saat dinyalakan gambar menyempit atas bawah kira kira 2 cm tapi kalau dibiarkan beberapa menit gambar normal sendiri langsung bongkar tvnya sambil melihat siapa tau ada.

Berbagi ke twitter berbagi ke facebook bagikan ke pinterest. Makasih atas infonya solder uap. Pada gejala kerusakan tv seperti ini ada banyak faktor penyebabnya juga yang jelas. Mohon bantuannya dong om tv saya tv china merk ekitech gak bisa pakai dvd.

Forum matches check found in. Kirimkan ini lewat email blogthis. Kembali dengan problem tv merek china dengan ic tunggal lv76610 6c mempunyai problem kerusakan tidak ada siaran yang nyangkut saat dicoba posisi av atau bagian video bisa berjalan dengan normal tapi pada siaran tv tidak ada nyangkut channel saat di search manual ataupun auto hanya tampilan blue screen saja. Download diagram sekarang skema lengkap ic tunggal 14 21 inchi dalam format pdf download lengkap skema tv china 25 29 inch dengan memiliki skema tv maka saat melakukan analisa service tv china akan sangat membantu dan hasilnya lebih cepat.

Jika tulisan ini bermanfaat silakan bagikan ke sosmed.

Blok Rangkaian Tv Cina Yang Berhubungan Dengan Warna Youtube

Blok Rangkaian Tv Cina Yang Berhubungan Dengan Warna Youtube

Tv Cina Tidak Nagkap Siaran

Tv Cina Tidak Nagkap Siaran

China Tv Kit Diagram Apps On Google Play

China Tv Kit Diagram Apps On Google Play

How To Enter In La76931s 7n System Ic Service Mode Youtube

How To Enter In La76931s 7n System Ic Service Mode Youtube

Kerusakan Yang Sering Terjadi Pada Bagian Vertikal Tv Cina Youtube

Kerusakan Yang Sering Terjadi Pada Bagian Vertikal Tv Cina Youtube

Ilmu Pintar Rangkaian Penguat Vertical Dan Horinzontal

Ilmu Pintar Rangkaian Penguat Vertical Dan Horinzontal

An7164 Amplifier 12v Dengan Output 30w Radio

An7164 Amplifier 12v Dengan Output 30w Radio

Cara Memperbaiki Tv Yang Tidak Bisa Menangkap Siaran Youtube

Cara Memperbaiki Tv Yang Tidak Bisa Menangkap Siaran Youtube

Marsonotv China La76810 Flyback Tidak Nyembur

Marsonotv China La76810 Flyback Tidak Nyembur

Marsonotv Tv Crt Gambar Negatip

Marsonotv Tv Crt Gambar Negatip

Jual Produk Ic Lv76610 6c Murah Dan Terlengkap Juli 2020 Bukalapak

Jual Produk Ic Lv76610 6c Murah Dan Terlengkap Juli 2020 Bukalapak

Bravo Bravo Papa Tv

Bravo Bravo Papa Tv

Kerusakan Tv Akari Gambar Jadi Hitam Putih Dan Tegangan Tegangan

Kerusakan Tv Akari Gambar Jadi Hitam Putih Dan Tegangan Tegangan

Elektronik Service Mesin Tv China Tidak Ada Siaran

Elektronik Service Mesin Tv China Tidak Ada Siaran

Source : pinterest.com