Web Analytics Made Easy -
StatCounter

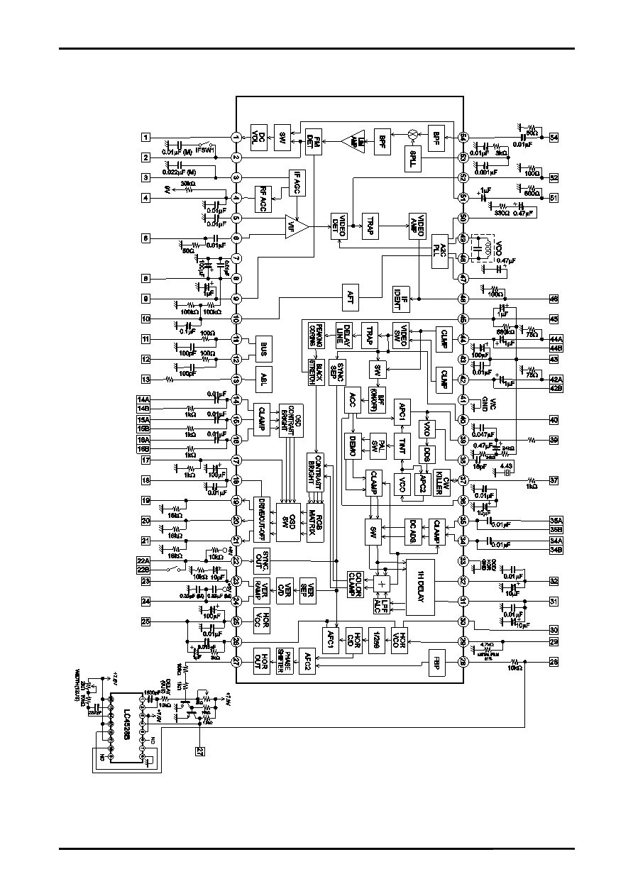
Skema Tv China La76810a

China Th2029 Lc863320a La76810a Tv Sch Service Manual Download

China Th2029 Lc863320a La76810a Tv Sch Service Manual Download

China Tclc2133e Lc863324 La76810 Tv D Service Manual Download

China Tclc2133e Lc863324 La76810 Tv D Service Manual Download

Service Tv Skema Tv Cina

Service Tv Skema Tv Cina

China Tv Tc 2128w Sch Service Manual Download Schematics Eeprom

China Tv Tc 2128w Sch Service Manual Download Schematics Eeprom

Gaya Terbaru Skema Rangkaian Mesin Tv Cina Rangkaian Mesin

Gaya Terbaru Skema Rangkaian Mesin Tv Cina Rangkaian Mesin

Marsono Tv Tv China Pakai La76810a Tanpa Antena Layar Bisa

Marsono Tv Tv China Pakai La76810a Tanpa Antena Layar Bisa

Marsono Tv Tv China Pakai La76810a Tanpa Antena Layar Bisa

Service mode tv china ic tunggal 8873cscng 6pr6.

Skema tv china la76810a. Menggunakan rangkaian mesin terbaik dapat membuat pekerjaan anda lebih mudah dan tertata. Skema tv china ic la76810 lc863320a. Firmware tv china joice ektavian eko january 28 2019 untuk kalian yang lagi mencari data flashing tv china berikut ini beberapa kumpulan firmware tv china silahkan di download dan j ika kalian mengalami kesulitan mendownload filenya silahkan ikuti caranya klik disini atau klik cara download dari adtival. Kumpulan skema tv memiliki koleksi skema tv tabung dari berbagai merk dan model memang sangat diperlukan terutama untuk siapapun yang serius berprofesi sebagai teknisi service tv.

Cce tv p105 cce tv2118usp av china chassis crt tv sch. Skema adalah sebuah peta atau jalur untuk mesin tv sehingga apabila tejadi kerusakan pada bagian tertentu akan sangat mudah melacak dengan bantuan gambar skema tv. Ini adalah contoh gambar skema tv merk china secara keseluruhan sedangkan untuk gambar blok tiap bagian demi bagian bisa di lihat disini. Tv saya mesin wcom 21 ic nya la76810a dan lc863424c eeprom fm24c08a.

Skema tv china ic tunggal 8873 skema mesin tv wcom pdf skema tv china ic tunggal 8893 pdf skema mesin tv wcom slim pdf skema tv china ic la76810a skema tv china ic 8895 skema tv china ic tunggal 8895 pdf skema tv china slim pdf gaya terbaru skema rangkaian mesin tv cina rangkaian mesin. Download diagram sekarang skema lengkap ic tunggal 14 21 inchi dalam. Skema mesin tv wcom slim pdf skema mesin tv wcom pdf skema tv china ic tunggal 8873 skema tv china ic tunggal 8893 pdf skema tv china ic la76810a skema tv china ic 8895 skema tv china ic tunggal 8895 pdf skema tv china slim pdf. Teknisi membawa mesin china la76810a katanya problem tidak terima siaran.

Pelototi dulu kumpulan skema skema tcl yang kami miliki 4 nov 2009. Fulltext index 85 3789 china chassis h pdf. Penyebabnya gara gara korsluiting irf infra red jadi kedip kedip serta eeprom jebol sudah diganti tapi kedip kedipnya layar monitor masih belum hilang begitu dihidupkan langsung berkedip kedip. Tv ini china ini menggunakan ic tunggal buatan toshiba dengan seri 8873cscng.

Schema china chassis hl13 m trinorma in. Lihat juga skema tv china lengkap. Download skema tv china china 5s01 chassis st6388 stv2216 download skema tv china china c2112 tmp87ck38n tb1238an download skema tv china china ctv8259bt pca84c640 ta8659an download skema tv china china gt9320 pca64c444 ctv322s download skema tv china china lc863320 download skema tv china china tcl tmp8821 download skema tv china china ctv8259 djvu akira ch 8803. Poin pembahasan terpopuler skema rangkaian mesin tv wcom rangkaian mesin adalah.

Kami sertakan gambar skema tv merk china lain yang pada dasarnya agak mirip dengan wansonic. Lc863320a la76810 la7642 la7840 tda2003. Forum matches check found in.

Terpopuler Skema Rangkaian Mesin Tv Wcom Rangkaian Mesin

Terpopuler Skema Rangkaian Mesin Tv Wcom Rangkaian Mesin

China Hl13m Lc863320a La76810 Tv D Service Manual Download

China Hl13m Lc863320a La76810 Tv D Service Manual Download

Skema Rangkaian Data Pin Ic La76810 Gambar Rangkaian Elektronika

Skema Rangkaian Data Pin Ic La76810 Gambar Rangkaian Elektronika

8821 8823 8873 8893 8895 Ic China Made Colour Tv Kit Diagram Youtube

8821 8823 8873 8893 8895 Ic China Made Colour Tv Kit Diagram Youtube

Tv Cina Tabung Tdk Mau Keluar Suara Yes Yans Electronic

Tv Cina Tabung Tdk Mau Keluar Suara Yes Yans Electronic

Arif Budianto Skema Tv Cina

Arif Budianto Skema Tv Cina

Inspirasi 30 Skema Mesin Tv Cina 1 Ic

Inspirasi 30 Skema Mesin Tv Cina 1 Ic

Marsonotv China La76810 Flyback Tidak Nyembur

Marsonotv China La76810 Flyback Tidak Nyembur

Basic Crt Tv Application Schematic Switched Mode Power Supply

Basic Crt Tv Application Schematic Switched Mode Power Supply

Ps 228tv 13 China Crt Toshiba Pdf Text Graphics Software

Ps 228tv 13 China Crt Toshiba Pdf Text Graphics Software

Gaya Terbaru Skema Mesin Tv Cina 29 Skema Mesin

Gaya Terbaru Skema Mesin Tv Cina 29 Skema Mesin

Smps Fullbridge Pfc Schematic Pcb Layout Pdf Rangkaian

Smps Fullbridge Pfc Schematic Pcb Layout Pdf Rangkaian

Tv Service Repair Manuals Schematics And Diagrams Tv Services

Tv Service Repair Manuals Schematics And Diagrams Tv Services

Source : pinterest.com